| |
|
三、BMV、BMG系列煤气安全阀箱
|
(一)、BMV/B1-3型煤气安全阀箱
1、用途
本产品适用于金属气焊、气割、火焰表面清理和热加工的硫、焦油、萘等不纯物含量较低的煤气管路用户点。
2、结构特点
本产品外部保护箱采用灰色烤漆防锈,阀箱接点(含岗位回火防止装置)可供1-3人分别使用也可供同时使用。所有仪表可通过阀箱面板窥视孔直接观察,内部所有管路均采用优质碳钢制作。阀箱门接有箱体专用锁,便于集中管理,可避免因误操作造成的能源浪费和泄漏引起的不安全因素。
3、 产品技术参数 |
|
BMV/B1-3型煤气安全阀箱技术参数
|
|
|
BMV/B-1型
|
BMV/B-2型
|
BMV/B-3型
|
|
正常使用氧气
压力MPa
|
0.02~1.6
|
0.02~1.6
|
0.02~1.6
|
|
流量Nm3/H
|
5
|
10
|
15
|
|
外形尺寸mm
|
800×380×280
|
1800×680×280
|
800×980×280
|
|
接头规格
|
见附图
|
见附图
|
见附图
|
|
注:BMV/B1-3型煤气安全阀箱安装示意图同BC2H2/B1-3型乙炔气用点阀箱安装示意图。
|
注意事项
本产品在安装过程中请注意进出气口不可接反,发现堵塞应清洗,使用一年后应进行全面检修且需更换密封件,装配后应进行试压、回火试验合格,以保证阻火性能。
(二)、BMG/B1-4型煤气用点阀箱
1、用途
本产品适用于气焊、气割、火焰表面清理和热加工的焦炉煤气及混合煤气管道用点。
2、结构特点
本产品外部保护箱采用灰色烤漆防锈,阀箱接点可供1-4人焊炬或割炬分别使用,也可供同时使用。所用仪表可通过阀箱面板窥视孔直接观察,阀箱内部分配器均选用优质碳钢制作。阀箱门装有箱体专用锁,便于集中管理,可避免因误操作造成的能源浪费和泄漏引起的不安全因素。
3、产品技术参数 |
|
BMG/B1-3型煤气安全阀箱技术参数
|
|
|
BMG/B-1型
|
BMG/B-2型
|
BMG/B-3型
|
BMG/B-4型
|
|
正常使用氧气
压力MPa
|
0.01~0.1
|
0.01~0.1
|
0.01~0.1
|
0.01~0.1
|
|
流量Nm3/H
|
5~10
|
10~20
|
15~30
|
20~40
|
|
外形尺寸mm
|
1400×660×440
|
1400×660×440
|
1400×660×440
|
1400×660×440
|
|
接头规格
|
DN15×1
|
DN15×2
|
DN15×3
|
DN15×4
|
|
接管法兰规格
|
JB/T81-94
PN1.0 DN50
|
JB/T81-94
PN1.0 DN50
|
JB/T81-94
PN1.0 DN50
|
JB/T81-94
PN1.0 DN50
|
|
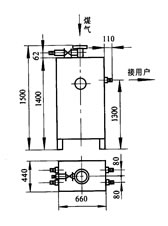
| 4、BMG/B1-4型煤气接点阀箱安装示意图 |
|
|
5、使用说明
(1)操作时,接管法兰DN50与系统中的阀门相并开阀,用软管将接头DN15与焊炬或割炬相连,关上扫阀及箱内的排污阀即可向焊炬或割炬供煤气。
(2)吹刷时,关上进气阀及接头阀门,用软管吹扫阀门与吹刷介质或氮气相接,打开排污阀即可阀箱进行吹扫。 |
| |