| |
|
二十、PW型煤气管道水封器
|
1、产品用途
本产品设在煤气清洗 设施快速水封切断阀的下方,用于去除煤气中的冷凝水。
2、结构特点
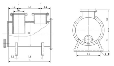
2.1产品由水平管(管径D)和两根垂直短管组成“U”形水封,水平管两端用钢板封堵;水平管底部的支座,可与钢支架安装固定。
2.2本产品水平管端部设有由盲板密封的排污口;用户可根据需要换上相应口径的闸阀或球阀进行排污。
2.3开始使用本产品时,先将出口管端打开灌水至溢出为止,然后密封。
2.4产品结构如下图 |
|
|
| 3、产品主要尺寸、重量见下表 |
|
型号
|
DN
|
D
|
L
|
L1
|
L2
|
L3
|
L4
|
L5
|
4-Φ
|
h1
|
h2
|
W(kg)
|
|
PW30-60
|
100
|
300
|
600
|
400
|
100
|
350
|
125
|
300
|
18
|
330
|
300
|
88.0
|
|
PW35-65
|
125
|
350
|
650
|
400
|
125
|
300
|
175
|
320
|
18
|
330
|
300
|
107.0
|
|
PW40-80
|
150
|
350
|
800
|
530
|
135
|
400
|
200
|
300
|
20
|
350
|
350
|
143.0
|
|
PW40-80Ⅱ
|
125/150
|
400
|
830
|
530
|
150
|
300
|
110
|
300
|
20
|
350
|
350
|
150.0
|
|
PW40-90Ⅱ
|
2-65
|
400
|
900
|
600
|
150
|
600
|
150
|
370
|
20
|
350
|
350
|
136.0
|
|
PW60-90
|
200
|
600
|
900
|
500
|
200
|
450
|
225
|
700
|
22
|
500
|
450
|
255.0
|
|
PW60-100
|
300
|
600
|
1000
|
600
|
200
|
500
|
250
|
700
|
22
|
500
|
500
|
302.0
|
|
PW60-115
|
300
|
600
|
1150
|
730
|
210
|
550
|
300
|
700
|
22
|
500
|
500
|
308.0
|
|
PW60-125Ⅱ
|
150/200
|
600
|
1250
|
750
|
250
|
650
|
300
|
700
|
22
|
500
|
500
|
290.0
|
|
PW70-100
|
250
|
700
|
1000
|
600
|
200
|
500
|
250
|
500
|
22
|
520
|
530
|
325.0
|
|
说明:①Ⅱ型为双管式(即二支进气管)
②垂直管的进口法兰按JB/T81-94,PN=1.6MPa选用。用户如需非本表所列规格的煤气管道水封器,本厂可代为设计和制造。 |
| |