| |
|
二、BC2H2/B1-3型乙炔气用点阀箱(霞普气点阀箱)
|
1、用途
本产品适用于金属气焊、气割、火焰表面清理和热加工的氧气管路用户点,也能同溶解乙炔钢瓶配套使用于上述各种用户点。
2、结构特点
本产品外部保护采用天蓝色烤漆防锈,阀箱接点(含岗位回火防止装置)可供1-3人分别使用,也可供同时使用。所用仪表可通过阀箱面板窥视孔直接观察,内部所有管路均采用优质碳钢制作,阀箱门接有箱体专用锁,便于集中管理,可避免因误操作造成的能源浪费和泄漏引起的不安全因素。
3、产品技术参数 |
|
|
BC2H2/B-1型
|
BC2H2/B-2型
|
BC2H2/B-3型
|
|
正常使用氧气
压力MPa
|
0.07~0.15
|
0.07~0.15
|
0.07~0.15
|
|
流量Nm3/H
|
5
|
10
|
15
|
|
外形尺寸mm
|
800×380×280
|
1800×680×280
|
800×980×280
|
|
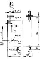
接头规格
|
见附图
|
见附图
|
见附图
|
|
|
|
|
BC2H2/B-2型、3型乙炔安全阀箱安装示意图
|
BC2H2/B-1型乙炔安全阀箱安装示意图
|
|
|
|
注意事项
本产品在安装过程中请注意进出气口不可接反,发现堵塞应清洗,使用一年后应进行全面检修且需要换密封件,装配后应进行试压、回火试验合格,以保证阻火性能。 |