| |
|
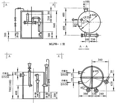
十七、MLPB型系列离心式鼓风机排水器
|
1、MLPB型排水器为四室排水器,适用于离心式煤气鼓风机本体及进出口管排水。
2、该排水器必须采用压力给水,给水量为2-3t/h。
3、排水器上设有蒸汽或氮气吹扫头,为防止煤气窜入蒸汽或氮气管内,只有在通蒸汽或氮气时,才能把蒸汽或氮气与煤气管连通,停用时必须断开或堵盲板。
4、排出器冷凝水应集中处理。
5、设在露天的排水器在寒冷地区要采取防冻措施,设在室内的应有良好的自然通风。 |
|
MLPB型排水器系列规格选用表
|
|
型 号
|
鼓风机
型 号
|
水封
高度
mm
|
外形尺寸(mm)
|
上 水 管
|
排 水 管
|
吹 扫 管
|
煤气冷凝水管
|
|
Φ
|
筒高
H
|
管径DN
mm
|
数量
|
管径DN
mm
|
数量
|
管径DN
mm
|
数量
|
管径DN
mm
|
数量
|
|
MLPB-I
|
D100-32
|
2000
|
620
|
840
|
25
|
1
|
50
|
1
|
25
|
4
|
80
|
1
|
|
MLPB-II
|
D110-12
|
1800
|
620
|
790
|
25
|
1
|
50
|
1
|
25
|
4
|
80
|
2
|
|
MLPB-III
|
D250-11-2
|
3200
|
620
|
1100
|
25
|
1
|
50
|
1
|
25
|
4
|
80
|
2
|
|
|
|
|
MLPB-II、III型
*MLPB-II、III型各增加一个人补水管DN50
|
| |