| |
|
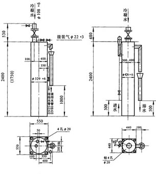
十五、MGPB型系列煤气冷凝水排水器
|
1、MGPB型排水器适用于不同压力的各种工业煤气架空管道。
2、该排水器必须采用压力给水,给水量为2-4t/h。
3、排水器上设有蒸汽或氮气吹扫头,为防止煤气窜入蒸汽或氮气管内只有在通蒸汽或氮气时,才能把蒸汽或氮气与煤气和管道连通,停用时必须断开或堵盲板。
4、排出器冷凝水应集中处理。
5、设在露天的排水器有寒冷地区要采取防冻措施,设在室内的应有良好的自然通风。 |
|
MGPB型排水器系列规格选用表
|
|
型 号
|
允许煤气
最高压力
(KPa)
|
水封
高度
mm
|
外形尺寸(mm)
|
上水管
管径DN
(mm)
|
上水管
管径DN
(mm)
|
吹扫管
管径
Φ×δmm
|
煤气冷凝
水管径
Φ×δmm
|
|
筒外径Φ
|
筒高H
|
|
MGPB-I
|
14.01
|
2000
|
426
|
2400
|
20
|
80
|
|
Φ159×5
|
|
MGPB-II
|
21.48
|
2700
|
529
|
1750
|
25
|
80
|
Φ22×3
|
Φ108×6
|
|
MGPB-III
|
34.23
|
4000
|
529
|
2700
|
25
|
80
|
Φ22×3
|
Φ108×6
|
|
|
|
| MGPB-II、MGPB-III型 MGPB-I型 |
| |