| |
|
一、OXB系列氧气用点阀箱
|
(一)、OXB/A1-4型氧气用点阀箱
1、用途
本产品适用于金属气焊、气割、火焰表面清理和热加工的氧气管路用户点,也能同氧气汇流排配套使用于上述各种用户点。
2、结构特点
本产品外部保护采用天蓝色烤漆防锈,阀箱接点可供1-4把焊炬或割炬分别使用,也可供同时使用。由于每个接点都分别配有减压器避免了同时使用时压力、流量的波动,内部所有管路均采用不锈钢(1Cr18Ni9Ti)制作。阀箱门接有箱体专用锁,便于集中管理,可避免因误操作造成的能源浪费和泄漏引起的不安全因素。
3、产品技术参数 |
|
氧气点阀箱技术参数
|
|
|
OXB/A-1型
|
OXB/A-2型
|
OXB/A-3型
|
OXB/A-4型
|
|
正常使用压力MPa
|
0.1~1.6
|
0.1~1.6
|
0.1~1.6
|
0.1~1.6
|
|
流量Nm3/H
|
15~60
|
30~120
|
45~180
|
60~240
|
|
外形尺寸mm
|
1200×960×320
|
1200×960×320
|
1200×960×320
|
1200×960×320
|
|
接头规格
|
DN10×1
|
DN10×2
|
DN10×3
|
DN10×4
|
|
接管法兰规格
|
PN4.0或PN2.5 DN25
|
PN4.0或PN2.5 DN25
|
PN4.0或PN2.5 DN25
|
PN4.0或PN2.5 DN25
|
|
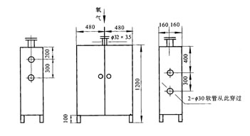
| 4、OXB/1-4型氧气接点阀箱安装示意图 |
|
|
5、选用说明
当进气压力P≤2.5MPa时,入口配JB/T81-94平焊钢法兰。
当进气压力2.5<P≤4.0MPa时,入口配JB/T82.2-94对焊钢法兰。
请用户订货时注明。
(二)、OXB/B1-3型氧气用点阀箱
1、用途
本产品适用于金属气焊、气割、火焰表面清理和热加工的氧气管路用户点,也能同氧气钢瓶组配套使用于上述各种用户点。
2、结构特点
本产品外部保护采用天蓝色烤漆防锈,阀箱接点可供1-3人分别使用,也可供同时使用。所用仪表可通过阀箱面板窥视孔直接观察,内部所有管路均采用不锈钢(1Cr18Ni9Ti)制作;阀箱门接有箱体专用锁,便于集中管理,可避免因误操作造成的能源浪费和泄漏引起的不安全因素。
3、产品技术参数 |
|
氧气点阀箱技术参数
|
|
|
OXB/B-1型
|
OXB/B-2型
|
OXB/B-3型
|
|
正常使用氧气压力MPa
|
0.8~1.6
|
0.8~1.6
|
0.8~1.6
|
|
流量Nm3/H
|
15~30
|
30~45
|
45~100
|
|
外形尺寸mm
|
1000×500×240
|
1000×500×240
|
1000×500×240
|
|
接头规格
|
见附图
|
见附图
|
见附图
|
|
|
安装示意图
|
|
|
注意事项
本产品在安装过程中请注意进出气口不可接反,发现堵塞应清洗,使用一年后应进行全面检修。 |