| |
|
一、粗过滤器系列
|
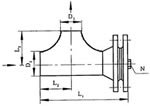
8、Y型带夹套焊接型法兰连接式过滤器(SBYF型)见图8、表8(DN20~200,PN≤5.0MPa)
SBYF型 表8 |
|
公称直径
DN
|
结构尺寸
|
夹套
|
管塞N
|
|
L
|
H
|
进口a
|
出口b
|
蒸汽压力
|
|
20
|
370
|
235
|
G1/2"
|
G1/2"
|
≤0.6MPa
|
ZG1/4"
|
|
25
|
370
|
235
|
G1/2"
|
G1/2"
|
|
32
|
390
|
275
|
G1/2"
|
G1/2"
|
|
40
|
390
|
285
|
G3/4"
|
G3/4"
|
|
50
|
420
|
295
|
G3/4"
|
G3/4"
|
ZG3/8"
|
|
65
|
490
|
330
|
G3/4"
|
G3/4"
|
|
80
|
500
|
370
|
G3/4"
|
G3/4"
|
|
100
|
575
|
415
|
G3/4"
|
G3/4"
|
|
125
|
650
|
450
|
G3/4"
|
G3/4"
|
|
150
|
700
|
525
|
DN25
|
DN25
|
ZG3/4"
|
|
200
|
890
|
610
|
DN25
|
DN25
|
|

图8 SBYF型
|
|
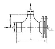
9、 T型焊接型法兰连接过滤器(BYIII型)见图9 表9(DN80~400 PN≤50MPa)
SBY III型 表9 |
|
公称直径
DN
|
结构尺寸
|
管塞N
|
|
L1
|
H2
|
|
80
|
330
|
150
|
ZG3/8"
|
|
100
|
360
|
160
|
ZG3/8"
|
|
150
|
440
|
200
|
ZG3/4"
|
|
200
|
540
|
230
|
ZG3/4"
|
|
250
|
600
|
270
|
M20×1.5
|
|
300
|
680
|
300
|
M20×1.5
|
|
350
|
750
|
340
|
M20×1.5
|
|
400
|
850
|
380
|
M20×1.5
|
|

图9 SBY III型
|
|
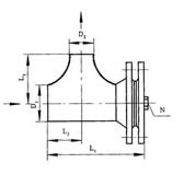
10、T型对焊接连接式过滤器(SBY IV型)见图10、表10(DN80~400,PN≤10.0MPa)
SBYZ IV型 表10 |
|
公称直径
DN
|
D1=D2
|
L2=L3
|
L1
|
管塞N
|
|
I
|
II
|
PN2.0
|
PN2.5
|
PN4.0
|
PN5.0
|
PN10
|
|
80
|
88.9
|
89
|
86
|
268
|
261
|
263
|
282
|
289
|
ZG3/8"
|
|
100
|
114.3
|
108
|
108
|
312
|
304
|
314
|
330
|
352
|
ZG3/8"
|
|
150
|
168.3
|
159
|
159
|
402
|
392
|
394
|
423
|
453
|
ZG3/4"
|
|
200
|
219.1
|
219
|
219
|
489
|
469
|
487
|
510
|
546
|
ZG3/4"
|
|
250
|
273
|
273
|
273
|
566
|
550
|
579
|
599
|
649
|
M20×1.5
|
|
300
|
323.9
|
325
|
325
|
656
|
632
|
670
|
691
|
732
|
M20×1.5
|
|
350
|
355.6
|
377
|
377
|
722
|
695
|
730
|
757
|
795
|
M20×1.5
|
|
400
|
406.4
|
426
|
426
|
776
|
764
|
808
|
815
|
866
|
M20×1.5
|
|

图10 SBY IV型
|
|
11、T型加长型对焊接连接式过滤器(SBY IV L型)见图11、表11(DN50~300,PN≤10.0MPa)
SBY IV L型 表11 |
|
公称直径
DN
|
D1=D2
|
L2=L3
|
L1
|
管塞N
|
|
I
|
II
|
PN2.0
|
PN2.5
|
PN4.0
|
PN5.0
|
PN10
|
|
50
|
60.3
|
57
|
64
|
263
|
252
|
252
|
272
|
278
|
ZG1/2"
|
|
65
|
76.1
|
76
|
76
|
326
|
313
|
313
|
335
|
342
|
ZG1/2"
|
|
80
|
88.9
|
89
|
86
|
358
|
351
|
353
|
372
|
379
|
ZG3/8"
|
|
100
|
114.3
|
108
|
105
|
412
|
404
|
414
|
430
|
452
|
ZG3/8"
|
|
150
|
168.3
|
159
|
143
|
522
|
512
|
514
|
543
|
573
|
ZG3/4"
|
|
200
|
219.1
|
219
|
178
|
669
|
649
|
667
|
690
|
726
|
ZG3/4"
|
|
250
|
273
|
273
|
216
|
816
|
800
|
829
|
849
|
899
|
M20×1.5
|
|
300
|
323.9
|
325
|
254
|
956
|
932
|
970
|
991
|
1032
|
M20×1.5
|
|
12、 T型异径对焊连接式过滤器(SBY IV D型)见图12、表12(DN50×40~300×250,PN≤10.0MPa)
SBY IV D型 表12 |
|
公称直径
DN1×DN2
|
D1=D2
|
L2
|
L3
|
L1
|
管塞N
|
|
系列I
|
系列II
|
PN2.0
|
PN2.5
|
PN4.0
|
PN5.0
|
PN10
|
|
50×40
|
60.3×48.3
|
57×45
|
64
|
60
|
213
|
202
|
202
|
222
|
228
|
ZG1/2"
|
|
80×50
|
88.9×60.3
|
88×57
|
86
|
76
|
268
|
216
|
263
|
282
|
289
|
ZG3/8"
|
|
80×65
|
88.9×76.1
|
89×76
|
86
|
83
|
268
|
261
|
263
|
282
|
289
|
ZG3/8"
|
|
100×65
|
114.3×76.1
|
108×76
|
105
|
95
|
312
|
304
|
314
|
330
|
352
|
ZG3/8"
|
|
100×80
|
114.3×88.9
|
108×89
|
105
|
98
|
312
|
304
|
314
|
330
|
352
|
ZG3/8"
|
|
150×100
|
168.3×114.3
|
159×108
|
143
|
130
|
402
|
392
|
394
|
423
|
453
|
ZG3/8"
|
|
200×100
|
219.1×114.3
|
219×108
|
178
|
156
|
489
|
469
|
487
|
510
|
546
|
ZG3/4"
|
|
250×150
|
273×168.3
|
273×159
|
216
|
194
|
566
|
550
|
579
|
599
|
649
|
M20×1.5
|
|
250×200
|
273×219.1
|
273×219
|
216
|
203
|
566
|
550
|
579
|
599
|
649
|
M20×1.5
|
|
300×250
|
323.9×273
|
225×273
|
254
|
241
|
656
|
632
|
670
|
691
|
732
|
M20×1.5
|
|
|
|
|
|
图11SBY IV L型
|
图12 SBY IV D型
|
|
13、T型直通对焊连接式过滤器(SBY V型)见图13、表13(DN50~400,PN≤10.0MPa)
SBY V型 表13 |
|
公称直径
DN
|
D0
|
L
|
H
|
管塞N
|
|
系列I
|
系列II
|
|
50
|
60.3
|
57
|
128
|
175
|
ZG1/2"
|
|
65
|
76.1
|
76
|
152
|
195
|
ZG1/2"
|
|
80
|
88.9
|
89
|
172
|
210
|
ZG1/2"
|
|
100
|
114.3
|
108
|
210
|
230
|
ZG1/2"
|
|
125
|
139.7
|
133
|
248
|
310
|
ZG3/4"
|
|
150
|
168.3
|
159
|
286
|
335
|
ZG3/4"
|
|
200
|
219.1
|
219
|
356
|
400
|
ZG3/4"
|
|
250
|
273
|
273
|
432
|
450
|
M20×1.5
|
|
300
|
323.9
|
325
|
508
|
535
|
M20×1.5
|
|
350
|
355.6
|
377
|
558
|
580
|
M20×1.5
|
|
400
|
406.4
|
426
|
610
|
640
|
M20×1.5
|
|

图13 SBY V型
|
|
| |