|
|
| |
|
三、JD-ZFX型助燃风机配用消声器系列
|
一、结构形式
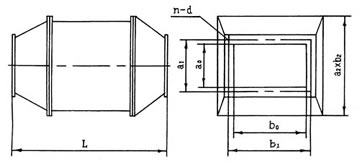
助燃风机消声器系列管型吸声结构,整个系列可与不同的助燃风机配套。
二、适用范围
主要用于控制炼铁热风炉助燃风机产生的动力噪声。
三、ZFX型助燃风机配用消声器系列外形示意图 |
|
|
| 四、规格、性能、外形尺寸 |
|
消声器
型号
|
适用风机
|
外形尺寸
|
法兰尺寸
|
消声量
dB(A)
|
压力损失
Pa
|
|
风量m3/min
|
风压Pa
|
L
|
a2×b2
|
a0×b0
|
a1×b1
|
n-d
|
|
ZFX-1
|
8100-10200
|
2080-7000
|
2100
|
994×994
|
350×660
|
450×700
|
18-F13
|
>20
|
<400
|
|
ZFX-2
|
2500
|
2990
|
2300
|
994×1487
|
500×1100
|
600×1200
|
32-F13
|
>15
|
<400
|
|
ZFX-3
|
4120-48000
|
3000-3270
|
2600
|
1487×1487
|
550×1280
|
650×1380
|
32-F17
|
>20
|
<400
|
|
ZFX-4
|
55840-64200
|
3860-4710
|
2700
|
1487×19800
|
550×1770
|
7650×1870
|
38-F17
|
>20
|
<400
|
|
ZFX-5
|
180000
|
3000
|
3000
|
1980×2473
|
600×1770
|
700×1870
|
40-F17
|
>25
|
<400
|
|
| |
|
 |